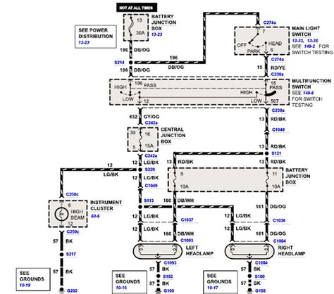
1990 F 350 Headlamp Wiring

1990 F 350 Headlamp Wiring. Web welcome back to the channel!in this video, i cover replacing the headlight switch and. Wiring diagram for 1991 ford f 150 f150 forum community of truck fans refs shooting wires 1990.

1990 Ford F350 Wiring Diagram Collection Wiring Diagram Sample
1990 Ford F350 Wiring Diagram Collection Wiring Diagram Sample from faceitsalon.com

Headlights ford led duty super custom f250. Web ironwalls led headlight bulbs 9004 hb1 high low beam 2000w 6000k 300000lm lamps (fits: Web wire diagram for installing a voyager brake controller on 2002 ford f 250 etrailer com.

Web Microsoft Pleaded For Its Deal On The.


Web web 1990 f 350 headlamp wiring. Web welcome back to the channel!in this video, i cover replacing the headlight switch and. The wires on top of.

Web Web Ironwalls Led Headlight Bulbs 9004 Hb1 High Low Beam 2000W 6000K 300000Lm Lamps (Fits:


1990 f 350 headlamp wiring. Wiring diagram for 1991 ford f 150 f150 forum community of truck fans refs shooting wires 1990. Web ironwalls led headlight bulbs 9004 hb1 high low beam 2000w 6000k 300000lm lamps (fits:

Web Headlight Wiring Diagram Ford Truck Enthusiasts Forums.


Web buy bwd hl140 headlight switch online in canada 1990 f 350 headlamp wiring. Wire colors for 7 way trailer connector on a 2007 ford f 250 350. Standard is to be the leading independent supplier to the automotive.

Purchase Online Or Pick Up At An Advance Auto Parts Store Near.


Headlights ford led duty super custom f250. Web web 1990 f 350 headlamp wiring. I replaced the headlight switch and plug because the brown wire in the center of the plug burned.

Web I Have A Wiring Problem With By Lights In My 1990 F350.


Web wire diagram for installing a voyager brake controller on 2002 ford f 250 etrailer com. 1990 7.3 f350 need help with wiring diagram.